(+54) 9 11 5804-8016 (+54) 4225-9691 ventas4@piazconveyor.com
Productos | CPR 4 Agujeros - Serie UCF - INOX.
ACCESORIOS PARA TRANSPORTES
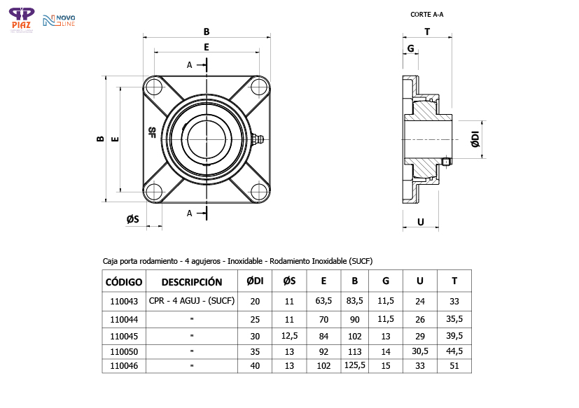
CPR 4 Agujeros - Serie UCF - INOX.
MATERIALES

CAJA = AISI / RODAMIENTO = AISI / ENGRASADOR = NPB

CODIGOS

Pza. - 110043 - C.P.R. D.20mm 4 Aguj. E/C 63,5 mm. Inox. 

Pza. - 110044 - C.P.R. D.25mm 4 Aguj. E/C 70 mm. Inox.

Pza. - 110045 - C.P.R. D.30mm 4 Aguj. E/C 83 mm. Inox. 

Pza. - 110050 - C.P.R. D.35mm 4 Aguj. E/C 92 mm. Inox.

Pza. - 110046 - C.P.R. D.40mm 4 Aguj. E/C 102 mm. Inox.