(+54) 9 11 5804-8016 (+54) 4225-9691 ventas4@piazconveyor.com
Productos | CPR 2 Agujeros - Serie UCFL - Fundición
ACCESORIOS PARA TRANSPORTES
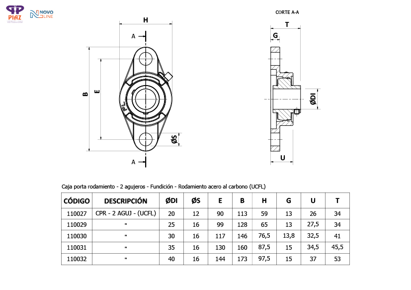
CPR 2 Agujeros - Serie UCFL - Fundición
MATERIALES

CAJA = FUNDICIÓN / RODAMIENTO = CS / ENGRASADOR = BS

CODIGOS

Pza. - 110027 - C.P.R.  D.20mm 2 Aguj. E/C 90 mm Fundición

Pza. - 110029 - C.P.R.  D.25mm 2 Aguj. E/C 99 mm Fundición

Pza. - 110030 - C.P.R.  D.30mm 2 Aguj. E/C 117 mm Fundición

Pza. - 110031 - C.P.R.  D.35mm 2 Aguj. E/C 130 mm Fundición

Pza. - 110032 - C.P.R.  D.40mm 2 Aguj. E/C 144 mm Fundición